Oasis OAG
16.5/17.0/17.5mm configurable thickness. The prism position can be precisely adjusted via the helical focuser. Compatible with filter wheels from multiple brands. Support M48/M54/M68 telescope threads
Description
When customers use our filter wheel, they often discuss back focus problem when connecting it with cameras and OAGs from different manufacturers, and find these issues challenging. This ultimately prompted us to develop an OAG, with the initial goal of solving such back focus problems. During the actual development process, we discovered that we could implement even more innovative features in this OAG, thereby delivering some delightful experiences to our users.

This product has the following features:
1. Configurable thickness of 16.5mm, 17.0mm, or 17.5mm
2. Prism position can be precisely adjusted via the helical focuser
3. Prism is made with excellent optical performance
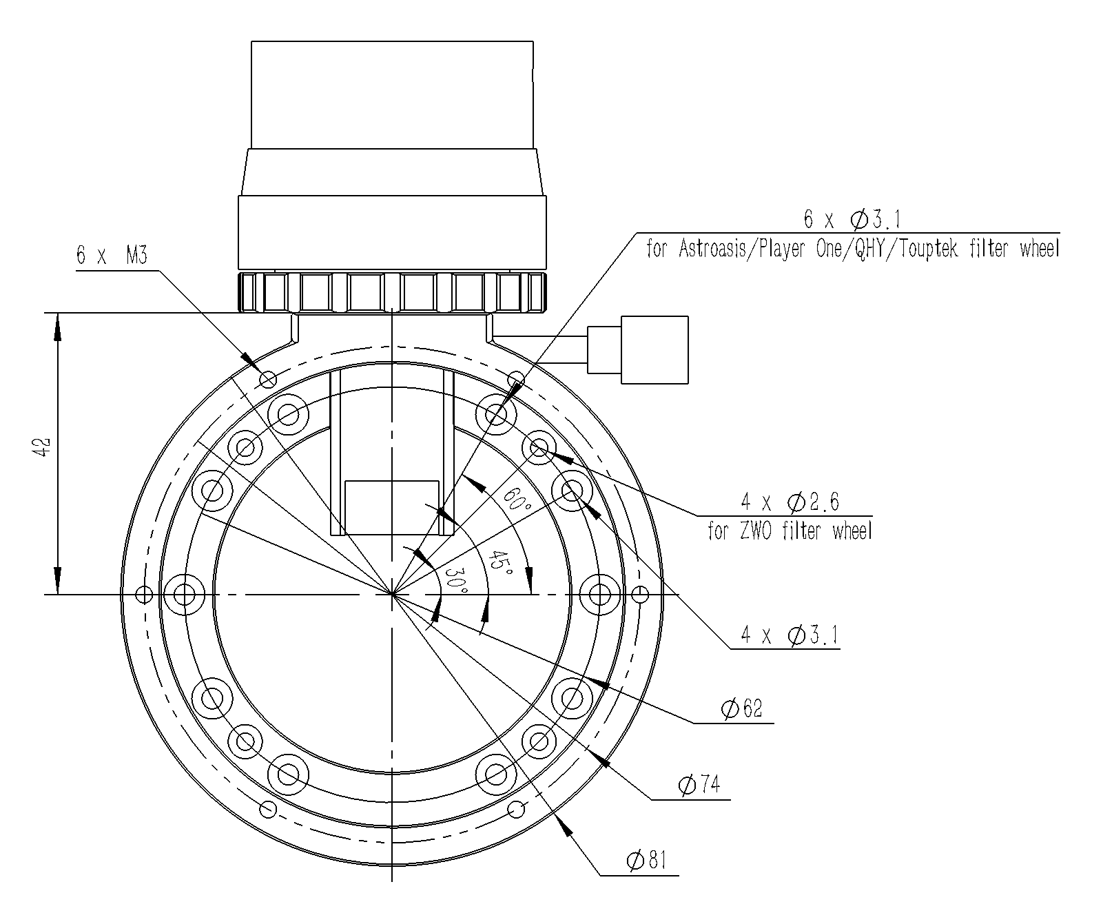
4. Compatible with filter wheels from Astroasis, Player One, QHY, Touptek and ZWO
5. Easy light-leak protection
6. Optimized for Astroasis 7x2" filter wheel for convenient equipment assembly and disassembly
7. Flexible screw selection
1、Configurable thickness of 16.5mm, 17.0mm, or 17.5mm
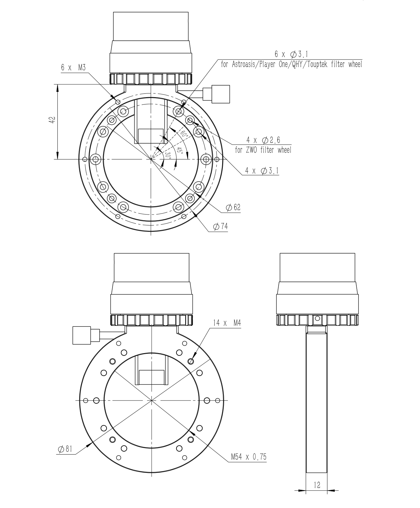
The Oasis OAG body has a thickness of 12mm. By connecting it with threaded adapter rings available in 4.5mm, 5.0mm, or 5.5mm thicknesses, it can achieve three total overall thicknesses: 16.5mm, 17.0mm, and 17.5mm. This modular design provides flexibility to meet the back focus requirements of various equipment configurations.
There are three sets of threaded adapters for connecting the telescope, with inner threads of M68x1, M54x0.75, and M48x0.75 respectively. Each set includes three adapters with thicknesses of 4.5mm, 5.0mm, and 5.5mm. The OAG kit comes with one set of threaded adapters, and the thread specification can be specified as M68, M54, or M48. Additional threaded adapters can also be ordered as options.


Combined with the 4.5mm Adapter

Combined with the M48 Adapter
2、Prism position can be precisely adjusted via the helical focuser
The most unique and remarkable feature of the Oasis OAG is that its helical focuser can not only be used to focus the guide camera but also to precisely adjust the position of the prism. As we know, most guide cameras have an inner thread of M28.5x0.6 at the front. The Oasis OAG features an outer thread of M28.5x0.6 at the front of the prism mounting post, ingeniously enabling the use of the helical focuser to adjust the prism's position. The usage method is as follows:
1、 Screw the front thread of the guide camera onto the thread at the end of the OAG prism post
2、 Loosen the prism post locking screw, and tighten the guide camera locking screw on the helical focuser
3、 Rotate the dial on the helical focuser to raise or lower the prism position
4、 Once the prism is adjusted to the desired position, secure the prism post with the locking screw, and unscrew the connection between the guide camera and the prism post


When rotating the dial on the helical focuser, the position of the guide camera is adjusted, which in turn moves the prism post and the prism together.
The helical focuser has a focusing travel of 6mm, and one full rotation of the dial corresponds to this 6mm travel. The dial is marked with six major divisions: 0, 1, 2, 3, 4, and 5. Thus, for every major division the dial rotates, the prism post moves by 1mm. Each major division is further subdivided into 20 minor divisions, providing a fine adjustment precision of 0.05mm per minor division.
Before starting adjustment, set the helical focuser to its minimum focusing travel. Insert the prism post to its lowest position, where the frontmost edge of the prism is 9mm away from the optical axis center. During adjustment, the exact position of the prism can be precisely calculated based on the number of divisions the dial has rotated.
This adjustment method allows the OAG to be freely and precisely positioned even when it is already assembled with other equipment, such as filter wheels and cameras, onto the telescope—without the need to disassemble any components. This remains true even during nighttime operations, offering significant convenience to enthusiasts. Additionally, the circular structure at the front of the prism post prevents the prism post from accidentally falling out when its locking screw is loosened.
3、Prism is made with excellent optical performance
The Oasis OAG utilizes an 8mm x 14mm prism which can fit most guide cameras. The prism features anti-reflection coatings on both optical surfaces and blackened coatings on all three non-optical sides. This prism enhances light transmittance and minimizes stray light.

4、Compatible with filter wheels from multiple brands
The Oasis OAG features multiple screw hole positions, making it compatible with filter wheels from Astroasis, Player One, QHYCCD, Touptek, and ZWO.
5、Light-leak protection
The threaded adapter features a recessed design, allowing for the use of an O-ring between the adapter and the OAG body to achieve light-leak protection and sealing.
On the OAG body, the through-holes used for connecting to the filter wheel are threaded on the reverse side. When these through-holes are not in use, set screws can be used to seal them and prevent light leakage.
The optional 4mm or 5mm extender features grooves on both sides, allowing O-rings to be used for light-leak protection between the extender, the OAG body, and the filter wheel.

6、Compatibility with the Astroasis 7x2" Filter Wheel
When used with the Astroasis 7x2 inch filter wheel, the OAG is designed to precisely avoid the screws of the filter wheel. This allows users to open the filter wheel for installing, removing, or cleaning filters without disconnecting the OAG from the filter wheel, providing significant convenience during operation.

7、Flexible Screw Selection
Choose freely between cylindrical, pan head, or flat head screws when connecting your OAG to your filter wheel, making fine-tuning easier than ever. Add washers as needed for the perfect depth adjustment.
Photos of the OAG

Connected with the Astroasis 7x2" Filter Wheel

Connected with the Astroasis 7x2" Filter Wheel
When using a camera with a short back focus (such as the QHY268), the 4mm or 5mm extender can be placed between the OAG and the filter wheel to meet the back focus requirement. This extender is an optional accessory.
Examples of the back focus solutions with Oasis OAG



Dimension diagrams

Oasis OAG Main Body

M48 Adapters

M54 Adapters

M68 Adapters

4mm/5mm Extender

